商品信息
基本参数
- 产地浙江
- 品牌
- 产品型号
- 产品操作
- 产品应用范围
- 产品材料等级
- 产品表面处理
- 品牌圣汉仕
- 型号Q941F
- 材质金属
- 驱动方式电子
- 连接形式法兰
- 类型(通道位置)二通式
- 产地永嘉
- 厂家圣汉仕
产品简介:
产品详情:
Q941F不锈钢电动球阀
不锈钢电动球阀概述:
Q941F系列电动球阀不错的密封性能,大流量系数,小流阻系数,构造简便,采用寿命长,容易维护。产品普遍用以化工,原油,纺织,电力,食品和制药等系统控制,制冷和造纸工业。
不锈钢电动球阀性能参数:
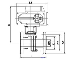
不锈钢电动球阀主要大小:

